관련상품
등록된 관련상품이 없습니다.
상품 정보
상품 상세설명
모델 (Model) : AFB0624EH-AR00
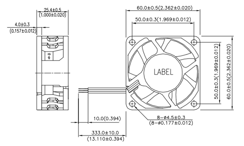
‣ 사이즈 : □60×60×25(mm) ‣ 센서 : RD Signal 베어링타입: BALL BEARING
*저희 쿨링팬은 정품만 취급합니다* (모조품이나 재생품 주의하세요)
전압 (VDC) |
동작전압 | 정격전류 (A) |
소비전력 (W) |
회전수 (RPM) |
풍량 (CFM) |
정압 (mmH₂O) |
소음 (dBA) |
무게 (g) |
---|---|---|---|---|---|---|---|---|
DC24V | DC14.0~ 27.6V |
0.36 | 8.64 | 6800 | 38.35 | 13.81 | 46.5 | 80 |
‣ 앞뒤사진
|
|
‣ 도면

‣ 전원부분: RD Signal / Flange Type
![]() |
![]() |
사용후기
상품문의
배송정보

교환/반품
